Introduction
I have started my most ambitious electronics project so far. After building my Softrock RXTX I was eager to learn more about RF designs, and HF radios in particular. I came across Farhan, VU2ESE, via Soldiersmoke and decided to build a transceiver based on his Minima.
There are three published versions, and many variations in between that are produced by others. All versions are based on a Si570 PLL Local oscillator and a discrete component BFO.
The first version uses mostly discrete components, KISS-mixer and discrete component audio amplifier, The IF is 20 MHz and it switches between two filters to cover the entire HF band.
The second version uses a FST3253 mixer and a TDA2822 audio amplifier
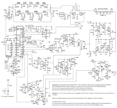
The third version uses a standard diode ring mixer and a TDA2822 audio amplifier and an IF of 24MHz. I have seen a few versions of the first Minima verison around the web, but I have not seen any of the other two.
Building my own version
I plan to base my design on the third vesion. It seems to be the simplest of the three, although it does not cover the whole HF spectrum. Since the IF is 24 MHz and it uses only one LPF it is limited to the frequencies below 24 MHz.
To make things a bit more interesting, I have planned to make a few alterations to the Minima 3. First, I will use a Si5351 as the local oscillator instead of the Si570. I used the Si570 in the Softrock RXTX so this gives me the opportunity to try something new. In addition, it contains three oscillators so one can serve as the LO while the other can serve as the BFO. N6QW has advocated for this several times, so why not give it a try.
Further, I will use ADE-1 double balanced mixers for both mixing stages. I will also use a standard LM386 as audio amplifier as I have many of those in the junk box.
Display and front panel
The Minima design and the software from Farhan is based on a 16x2 display.
I have used the standard 16x2 and 20x4 LCD displays in several projects previously: My 3D-printer, my timelapse device, a Shruthi-1 synth, a LXR drum machine, and more recently, my SWR-meter all use this display technology. This time I want to try something different, something more in the spirit of homebrew oldschool radios, and something more difficult. We are talking, Nixie tubes, Dekatrons, tuning eyes and neon indicators. No freakin LCD display or even a single LEDs on this rig.
My initial front panel is made in Front panel express. I have printed a test version on paper and glued it to a piece of cardboard. The purpose is to verify that all the bits and pieces fits to the panel before I order the final panel from Schaeffer.
In the above picture, the eight nixie tubes, one dekatron and one tuning eye is mounted temporary.
Audio
Moving to the radio itself, I started out building a LM386 audio amplifier. Homebrew hero N6QW always recommends to get the audio part going first, so here we go. The circuit has only 20dB gain at the moment, and I will have to increase the gain to at least 40dB later on, but it is enough to get started.
The sound from the little chip is not bad, and I hooked it up to my iPhone for testing. The speaker is a simple 8 ohm 8cm speaker from Tayda.com.
Low pass filter
The next stage I built was the low pass filter.
As there are no build manuals for homebrew projects, I decided to simulate some of the circuit modules. This is simple in LTSpice and gives valuable insight.
The simulated frequency response seem reasonable for a sub 24MHz receiver.
I used 0805 surface mount capacitors for the LP filter. I made some room on the PCB for a second LP or BP filter, should I have the urge to go above 24 MHz in the future. I hooked up the ADE-1 to the Si5351 via a 6dB pad. The output is terminated to a 51 Ohm resistor for testing. I am not sure whether the 6dB pad is necessary, since it is possible to adjust the Si5351 output power to drive the required 7dBm to drive ADE-1 from the Arduino software.
Future work
There are many parallel projects going on in this build, there are dekatrons and neon tubes that should glow, there are front panels and mechanics to resolve, and there are amplifiers to solder, and crystals to characterize. Hence, I did not want to collect everything in one big and totally confusing posting at the end (will it ever end?). The next stage is to finish the IF amplifiers and the crystal filters. I hope that others will take on building the third version of the Minima as well. If you are one of them, I would like to know. Stay tuned.






















